Конкурс
, Электронный замок
![]() |
Наши проекты:
Журнал · Discuz!ML · Wiki · DRKB · Помощь проекту |
|
| ПРАВИЛА | FAQ | Помощь | Поиск | Участники | Календарь | Избранное | RSS |
| [216.73.216.164] |
|
|
ПРАВИЛА РАЗДЕЛА "Электроника и схемотехника"

| Страницы: (4) [1] 2 3 ... Последняя » все ( Перейти к последнему сообщению ) |
Конкурс
, Электронный замок
|
|
|
|
|
Предлагаю немного пофантазировать, а то у нас только в рабочих темах "конкурсы" получаются
Итак, Тема: Электронный замок. Условия: Наименьшее количество элементов, простота, повторяемость, надежность, питание от постоянного тока напряжением 12в. наименьшее потребление тока в дежурном режиме. Выходной каскад для управления оконечной механики может быть с гальванической развязкой или "открытый" коллектор с допустимым током нагрузки до 0.5А и напряжением отсечки 50в. Дополнительные плюсы (если это не ведет к чрезмерному усложнению схемы):Предусмотреть защиту от подбора кодового ключа Желательно: не "тырить" готовые решения, а если уж и берется таковое как базовое, то приводите ссылки на источники. (не вижу ничего плохого в том, чтобы избежать повторного изобретения велосипеда, только добавляйте свою изюминку, интересно ведь )Регламент: Конкурсные предложения принимаются до 17 марта 2008 года. Начиная с 17-03-2008 по 30-03-2008 обсуждаем, голосуем. 31-03-2008 подводим результаты. Перед администрацией на счет диги-мани пока не хлопотал, но если результаты конкурса будут интересны для всех, проголосуем и будем хлопотать за победителя. |
|
Сообщ.
#2
,
|
|
|
|
AlexJ а что необходимо представлять? Схему? Печатку? Спецификацию деталей? Стоимость всей байды? Прошивку контроллера? Расчетное время изготовления? Или просто "пространственное" описание в духе Манилова?
|
|
Сообщ.
#3
,
|
|
|
|
Цитата medved_68 @ AlexJ а что необходимо представлять? Схему? ИМХО принципиальной схемы вполне достаточно, с кратким описаним принципа работы(в стиле журнала "Радио", "Радиолюбителя"...) Цитата Печатку? Спецификацию деталей? Это было бы вообще ИМХО супер, но смысл конкурса - оригинальность тех.решения Цитата Стоимость всей байды? ИМХО - лишнее Цитата Прошивку контроллера? Ну если используется микроконтроллер, то куда же он годится без прошивки ?! Цитата Расчетное время изготовления? ИМХО параметр спорный, и для каждого "время изготовления" есть величина разная. Мы же не на поток будем ставить изделие, чтобы выверять такие параметры Цитата Или просто "пространственное" описание в духе Манилова? ![]() Ну, если участник посчитает такое описание конкурентно способным, и укладывающимся в рамки тех.задания, почему бы и нет. |
|
Сообщ.
#4
,
|
|
|
|
Поддержу репутацию ассемблерщика, который любит все быстрое и компактное, в данном случае малое количество деталей и быстрота сборки в 5-10 минут.
В аттаче схемка, нарисованная в Paint'e, поскольку нет под рукой ничего подходящего. Это не открытие Америки, навеяно работой, а так же из учебников, где объясняются принципы работы транзисторов Итак. Поскольку AlexJ совершил ошибку, не указав точно тип замка, то представлю вольный вариант "электронного" Принцип прост. Замок срабатывает от ключа, в качестве которого используется обыкновенный резистор (R2), прикладываемый к клеммам XP. Все номиналы подбираются опытным путем, поскольку транзистор можно использовать практически любой, какой не жалко В качестве релюшки могу посоветовать РЭС10, или любую другую, лишь бы подошла по току и напряжению, можно даже самому сделать, допустимый разброс параметров очень велик. Достоинства:Недостатки, их тоже хватает:Эти недостатки можно существенно понизить, если сделать несколько клемм, а сам резистор запрятать в корпус, что бы никто не знал принцип этого "замка" Можно навесить сирену на "левые" клемы Высокая надежность подтверждена хотя бы тем, что подобные устройства используются у нас на работе(правда в качестве ключа выступает тел. линия, да и управляют сиреной). За те несколько лет, что работаю, не было ни одного отказа Прикреплённая картинка
|
|
Сообщ.
#5
,
|
|
|
|
Схема основана на контроллере ATTiny2313, работающим от встроенного генератора на частоте 1МГц
Опрос клавиатуры осуществляется последовательным сдвигом 1 на пинах PB0-PB3 и проверкой состояния на пинах PB4-PB6. Дребезг контактов на кнопках исключается программной задержкой опроса. Открывание замка происходит выставлением 1 на пине PD0(развязка c реле* стандартная на транзисторе(BC847)). C1-R2(удержание пина сброса в выключенном состоянии) и C2-R4(по питанию) НЧ фильтры. С3-DA1-C4 - понижающий стабилизатор напряжения. Написание программы можно осуществить в различных средах(AVRStudio, IAR, CodeVision...). Прошивание контроллера посредством PonyProg. Программатор STK200/500 или что нить похожее. Программирование через разъём Х1 Достоинства: 1 Сложность подбора ключа(схема ограничения ввода задаётся программой). 2 Хранение ключа осуществляется в 128 байтной EEPROM. 3 Длина ключа до 128 символов 4 Возможность "горячего" изменения ключа(схема изменения задаётся программно). 5 Стомость в основном складывается из стоимости контроллера (~30p, уточнить можно тут) + стоимость кнопок(пара-тройка рублей за штуку или какая нить стандартная клава) 6 Низкое энергопотребление: 300мкА(контроллер при частоте 1МГц) + 60мкА(опрос нажатой кнопки) + 0,6мА(удержание открытого замка, без учета самого замка) Недостатки: использование линейного стабилизатора с низким КПД (~30%) * - вместо замка в схеме использовалось реле PS: схема по сути классическая. Вроде должна заработать Прикреплённая картинка
|
|
Сообщ.
#6
,
|
|
|
|
Цитата AlexJ @ Электронный замок. В прошлом, мне нравился замок с двумя кнопками. Нужно было набирать комьиначию из 16 нулей и единиц. Типа: 110010101001 Запоминается легко. Взломать практически невозможно Кнопкой ошибся - блокируется на несколько секунд. А злоумышленник будет думать что нужно дольше жать Если кому интересно, могу выложить схему |
|
Сообщ.
#7
,
|
|
|
|
Цитата ISC @ Если кому интересно, могу выложить схему |
|
Сообщ.
#8
,
|
|
|
|
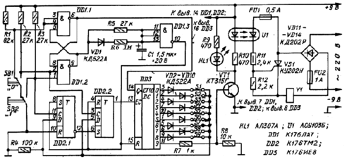
Кодовый замок на двух кнопках
![]() Это несложное устройство от ранее опубликованных отличается как кодированием, так и схемно-логическим решением. Цифровой блок построен на цифровых элементах структуры КМОП и обладает высокой экономичностью, что дает возможность питать его от автономного источника. Замок можно устанавливать как на стационарные объекты, так и на транспортные средства для блокировки запуска двигателя или открывания двери; не исключена его установка даже в чемоданы и кейсы.Одно из удобств замка — компактность кодонабирателя, состоящего всего из двух кнопок. Такой узел занимает очень мало места. Принцип действия устройства основан на подсчете девятиразрядной кодовой комбинации, представляющей собой произвольное чередование логических уровней 0 и 1. Дешифрированное последнее (девятое) состояние счетного узла служит сигналом включения исполнительного механизма. Вообщет. В те времена данная схема была, если не ошибаюсь, в журнале Радио Добавлено У меня на входной двери работал достаточно долго. Отмыкало автомобильное втягивающее и питание от старого аккумулятора 12 вольт. Силовая схема конечно же отличалась незначительно Добавлено Да... И у меня использовалось два счетчика. Для вдвое большей комбинации Пользоваться было милое дело. Приделывал такую схему и к цифровым эл. приборам, к которыми управлять может только свой человек. Например для включения цифрового пульта управления систем сьема информации (пока не введеш комбинацию двух кнопок, локика пульта блокирована). Тогда компьютеров небыло и все приборы управления были собраны на цифровых микросхемах Добавлено Цитата AndNot @ За те несколько лет, что работаю, не было ни одного отказа В предложенной схеме, обратное напряжение с реле, жиганет транзистор. Нужен диод паралельно реле |
|
Сообщ.
#9
,
|
|
|
|
Самый простой, надежный и так далее вариант (а главное- энергонезависимый
) - металл-гидридный аккумулятор на 12 вольт (2 штуки от сотового телефона, например) и электромеханический замок. Плюс контактная колодка на 20 контактов.Надежность - ВО! Простота - ВО! Криптостойкость отменная. А про вес ключа в условиях конкурса ничего не сказано. Гоните приз! |
|
Сообщ.
#10
,
|
|
|
|
Цитата ISC @ В предложенной схеме, обратное напряжение с реле, жиганет транзистор. Нужен диод паралельно реле Цитата Начиная с 17-03-2008 по 30-03-2008 обсуждаем, голосуем. -Added Цитата _Default_ @ Гоните приз! ![]() Цитата Перед администрацией на счет диги-мани пока не хлопотал, но если результаты конкурса будут интересны для всех, проголосуем и будем хлопотать за победителя. |
|
Сообщ.
#11
,
|
|
|
|
Цитата ISC @ именно так В те времена данная схема была, если не ошибаюсь, в журнале Радио типа мой вариант ![]() в начале 90х мой дядька делал бабки на замках для подъздов, основанных на той же схеме из «радио»... только с одним принципиальным отличием: вместо 2х кнопок использовалась металлическая панель типичного вида, с 10 цифрами, 4 из них (в случайном порядке) подключались параллельно на одну из кнопок оригинала, 4 на другую, что позволяло выдать множество возможных вариантов (чтоб управдом мог узнать, кому морду бить за код, нацарапанный рядом с замком)... а две оставшиеся кнопки (опять же, случайно выбранные кнопки с цифрами) подключались на "сброс", причём, для смеху, эти две кнопки чуть заполировывались, чтобы создать у подбирающего код впечатление, будто они нажимаются чаще других и спровоцировать его на обязательное их использование в проверяемых комбинациях. параллельность кнопок, казалось бы, снижает степень защиты (т.к. вместо кнопки из подлинного кода можно нажать любую из трёх параллельных), на самом деле вероятность угадать правильную кнопку падает с "1:2" до "2:5", но с другой стороны - вероятность нажать неверную кнопку повышается от "1:2" до "3:5", и это даже без учёта того, что "сбросовые" кнопки провоцируют злоумышенника на более частое использование по сравнению с прочими, т.к. заполированы (не "в зеркало", а немного, только чтоб было видно, что они более потёрты) |
|
Сообщ.
#12
,
|
|
|
|
Схема с микроконтроллером. Для идентификации пользователя применен ключ TouchMemory.
Кнопка предназначена для входа в режим программирования ключа TouchMemory. Микроконтроллер со встроенной Flash памятью, при программировании идентификатор ключа записывается в память, при открывании замка идентификатор проверяемого ключа сравнивается с записанными идентификаторами. Светодиод и звуковой излучатель предназначены соответственно для световой и звуковой индикации программирования ключа и открывания замка. Прикреплённая картинка
|
|
Сообщ.
#13
,
|
|
|
|
Так, а кто победил? время вроде прошло
|
|
Сообщ.
#14
,
|
|
|
|
Цитата ISC @ Как бы то нибыло, а практика показала - устройство работает и без диода, лишь бы были транзисторы советские, а остальное не важно В предложенной схеме, обратное напряжение с реле, жиганет транзистор. Нужен диод паралельно реле Думаю почти пол года практики дают достаточно данных для выводов о работоспособности предложенной схемы, что бы там не говлрили теоретитики Теорию ф топку |
|
Сообщ.
#15
,
|
|
|
|
Цитата AndNot @ Теорию ф топку Странно от Вас слышать такое. Обратное напряжение индукции обмотки реле может превосходить напряжение пробоя управляющего транзистора. Это можно явно увидеть по справочникам. Диоды ставили всю жизнь паралельно реле. И не только в случаях, где реле управлялось транзистором. Тактильно ощущается, что напряжение обратное, как минимум в десять раз больше напряжения питания реле |